技術電話:17301986536加盟電話:13689528587

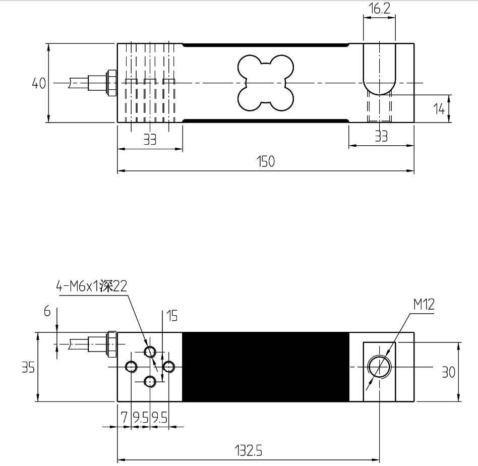
平行梁傳感器MK710-G
產品特點:MK710-G 平行梁稱重傳感器產品結構形式簡單,使用方便。
產品用途:MK710-G平行梁稱重傳感器適用于皮帶秤等力量測量設備。
量程:1kN(100kg)、2kN(200kg)、3kN(300kg)
技術參數及外形尺寸:
序號 | 產品技術參數 | |
1 | 額定載荷 | 100、200、300kg |
2 | 綜合精度 | 0.02%F.S |
3 | 額定輸出 | 2.0mV/V |
4 | 蠕變 | ±0.02%F.S/30min |
5 | 零點輸出 | ±2%F.S |
6 | 零點溫度影響 | ±0.03%F.S/10℃ |
7 | 輸出溫度影響 | ±0.02%F.S/10℃ |
8 | 輸入阻抗 | 410±15Ω |
9 | 輸出阻抗 | 350±5Ω |
10 | 絕緣阻抗 | >5000MΩ |
11 | 工作溫度范圍 | -40~60℃ |
12 | 安全過載 | 120%F.S |
13 | 推薦工作電壓 | 10DC |
14 | 接線方式 | 紅……E+(輸入正) 黑……E-(輸入負) 綠……S+(輸出正) 白……S-(輸出負) |

密克傳感器(深圳)有限公司是傳感器源頭生產廠家,致力于測力傳感器的研發生產。產品達百余種,廣泛應用于各種工業自動化、機器人、化工、食品、冶金以及醫療等新型和智能化高端領域。按結構分有輪輻式傳感器,S型傳感器,波紋管傳感器,法蘭盤傳感器,柱式傳感器,扭矩傳感器,平行梁傳感器,拉力傳感器等等,按功能應用場景分有試驗機專用傳感器,攪拌站傳感器,稱重傳感器,包裝機傳感器,壓裝機傳感器,價格美麗,可定制。
密克斯生產的MK710-G 平行梁稱重傳感器適用于皮帶秤等力量測量設備。
